Запасные части ЧТЗ Запасные части ЧТЗ
Мелитополь
Например:
Актобе
Алдан
или
Выбрать автоматически
Актобе
Алдан
Алматы
Алчевск
Архангельск
Астана
Астрахань
Атырау
Баку
Балашиха
Барнаул
Белгород
Бердянск
Бишкек
Владивосток
Владикавказ
Воркута
Воронеж
Горловка
Грозный
Донецк
Екатеринбург
Иваново
Ижевск
Иркутск
Казань
Калининград
Каменск-Уральский
Караганда
Каховка
Кемерово
Киров
Комсомольск-на-Амуре
Костанай
Краснодар
Красноярск
Красный луч
Ленск
Луганск
Магадан
Магнитогорск
Макеевка
Махачкала
Мелитополь
Минск
Мирный (Якутия)
Москва
Мурманск
Нерюнгри
Нижневартовск
Нижний Новгород
Нижний Тагил
Новая каховка
Новокузнецк
Новосибирск
Новый Уренгой
Норильск
Ноябрьск
Нур-Султан
Омск
Оренбург
Ош
Павлодар
Пермь
Петрозаводск
Петропавловск
Петропавловск-Камчатский
Псков
Ростов-на-Дону
Салехард
Самара
Санкт-Петербург
Саратов
Севастополь
Семей
Симферополь
Сочи
Ставрополь
Сургут
Сыктывкар
Тараз
Ташкент
Токмак
Томск
Тында
Тюмень
Ульяновск
Усинск
Усть-Каменогорск
Уфа
Хабаровск
Ханты-Мансийск
Херсон
Челябинск
Чита
Шымкент
Экибастуз
Энергодар
Южно-Сахалинск
Якутск
Ваш город
Мелитополь
Войти
Запасные части к тракторам на одном сайте
Отправить заявку


Муфта сцепления пускового двигателя на Т10М / Б10М


/
с НДС 20%
Описание
Муфта сцепления ПД на Т10М
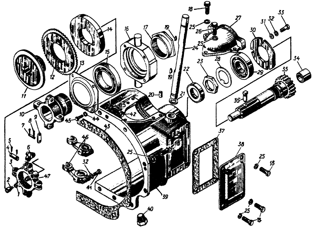
# Номер запчасти Наименование детали Кол-во в сборке
- 17-73-7СП Муфта сцепления 1
1 3874 Пружина 1
2 7316 Защелка 1
3 17-73-57 Крестовина 1
4 7312 Палец 4
5 - Шплинт 2,5×16.019 8
6 7311-1 Кулачок 4
7 7314 Палец 8
8 - Шплинт 2×12.019 16
9 7313 Серьга 8
10 17-73-54 Муфта 1
11 736 Диск неподвижный 1
12 17-73-139СП Диск 1
13 17-73-53 Крышка 1
14 739 Диск нажимной 1
15 - Подшипник 1000909 1
16 17-73-52 Обойма 1
17 17-73-55 Тормозок 1
18 - Болт М10-6g×22.58.019 8
19 3432
-
Шпонка
Шпонка 3×6,5
2
20 700-32-2196 Штифт 2
21 700-58-2526 Кольцо 1
22 - Манжета 1.2-35×58-1 1
23 700-30-2305 Гайка 1
24 17-73-35 Ось 1
25 - Шайба 10 ОТ 65Г 09 7
26 - Болт М10-6g×45.58.019 1
27 17-73-13 1 Крышка 1
28 700-31-2566 Шайба 1
29 - Подшипник 208 1
30 73105 Крышка 1
31 353-05-1 Шайба 3
32 - Шайба 8Т 65Г 09 5
33 - Болт М8×25.88.35.019 3
34 17-73-66 2 Втулка 1
35 735-01 1 Вал 1
36 7325 Палец стопорный 1
37 40235 Прокладка 1
38 73103 Крышка 1
39 17-73-20-1 1
17-73-20-1-02 1
Корпус 1
40 379 Пробка 1
41 - Болт М8×30.58.019 2
42 - Болт М10×30.58.019 4
43 40954 Прокладка 1
44 - Шайба 6Т 65Г 09 4
45 - Болт М6-6g×14.88.35.019 4
46 17-73-58 Вилка 2
47 0516 Кнопка 1
1 Заказывать комплект 17-73-112-02СП Корпус.
2 Заказывать комплект 7324-01СП Вал.
Муфта сцепления пускового двигателя