Запасные части ЧТЗ Запасные части ЧТЗ
Мелитополь
Например:
Актобе
Алдан
или
Выбрать автоматически
Актобе
Алдан
Алматы
Алчевск
Архангельск
Астана
Астрахань
Атырау
Баку
Балашиха
Барнаул
Белгород
Бердянск
Бишкек
Владивосток
Владикавказ
Воркута
Воронеж
Горловка
Грозный
Донецк
Екатеринбург
Иваново
Ижевск
Иркутск
Казань
Калининград
Каменск-Уральский
Караганда
Каховка
Кемерово
Киров
Комсомольск-на-Амуре
Костанай
Краснодар
Красноярск
Красный луч
Ленск
Луганск
Магадан
Магнитогорск
Макеевка
Махачкала
Мелитополь
Минск
Мирный (Якутия)
Москва
Мурманск
Нерюнгри
Нижневартовск
Нижний Новгород
Нижний Тагил
Новая каховка
Новокузнецк
Новосибирск
Новый Уренгой
Норильск
Ноябрьск
Нур-Султан
Омск
Оренбург
Ош
Павлодар
Пермь
Петрозаводск
Петропавловск
Петропавловск-Камчатский
Псков
Ростов-на-Дону
Салехард
Самара
Санкт-Петербург
Саратов
Севастополь
Семей
Симферополь
Сочи
Ставрополь
Сургут
Сыктывкар
Тараз
Ташкент
Токмак
Томск
Тында
Тюмень
Ульяновск
Усинск
Усть-Каменогорск
Уфа
Хабаровск
Ханты-Мансийск
Херсон
Челябинск
Чита
Шымкент
Экибастуз
Энергодар
Южно-Сахалинск
Якутск
Ваш город
Мелитополь
Войти
Запасные части к тракторам на одном сайте
Отправить заявку


Установка кондиционера RIO-3000 на Т10М / Б10М


/
с НДС 20%
Описание
Установка кондиционера RIO-3000 на Т10М
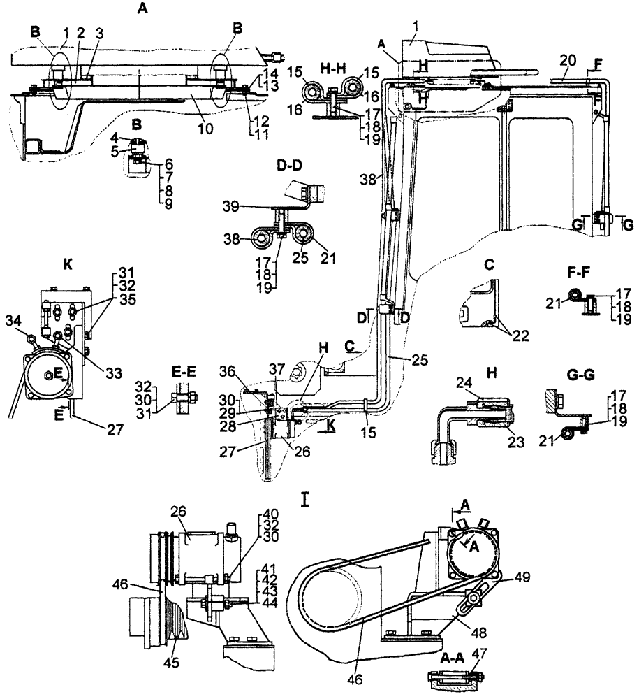
#Номер запчастиНаименование деталиКол-во в сборке
1700-10-228СПКонденсаторно-испарительный блок кондиционера RIO-30001
2700-23-1491СПКороб1
3-Уплотнение 11
4-Амортизатор 14
5700-23-3045Проставка4
6-Шайба12
7-Болт4
8-Шайба4
9-Болт4
10-Воздушный диффузор1
11-Гайка М8-7Н.6.01914
12-Шайба 8Т 65Г 0914
13700-40-8354Уплотнение2
14700-40-8355Уплотнение2
15700-40-9313Прокладка4
16261115Хомут4
17-Болт M6-6gx12.88.35.0197
18-Шайба 6Т 65Г 097
19-Шайба 6.01.0197
20-Трубка слива конденсата 11
21-Хомут 114
2264-47-62Скоба2
23-Муфта к штуцеру 5/8" 11
24-Муфта к штуцеру ½" 11
25700-23-1604СПРукав с арматурой 5/8" в сборе1
26-Компрессор «SANDEN» SD-5081 1
27-Ремень А-9501
2864-47-1Кронштейн1
29700-28-2541СПБолт1
30-Гайка М10-7Н.6.0194; 2 2
31-Болт M10-6gx30.58.01910
32-Шайба 10 ОТ 65Г 0910; 2 2
33-Штуцер ½" 11
34-Штуцер 5/8" 11
35-Шайба 10.02.0196
3664-47-102СПКронштейн1
3764-47-1О3СПКронштейн1
38700-23-1603СПРукав с арматурой ½" в сборе1
39700-23-1223СПКронштейн3
40700-28-877Болт2
4128648Болт1
4231372Шайба1
43-Шайба 12 ОТ 65Г 091
44-Гайка М12-7Н.61
45Э-37817-01Шкив1
46-Ремень тип А-1340 21
4731308-1Шайба4
48700-07-323СПКронштейн1
49700-07-324СПСерьга1
I - Вариант установки компрессора.
1 Из комплекта кондиционера RIO-3000.
2 При установке компрессора по варианту I.
Установка кондиционера RIO-3000