Запасные части ЧТЗ Запасные части ЧТЗ
Мелитополь
Например:
Актобе
Алдан
или
Выбрать автоматически
Актобе
Алдан
Алматы
Алчевск
Архангельск
Астана
Астрахань
Атырау
Баку
Балашиха
Барнаул
Белгород
Бердянск
Бишкек
Владивосток
Владикавказ
Воркута
Воронеж
Горловка
Грозный
Донецк
Екатеринбург
Иваново
Ижевск
Иркутск
Казань
Калининград
Каменск-Уральский
Караганда
Каховка
Кемерово
Киров
Комсомольск-на-Амуре
Костанай
Краснодар
Красноярск
Красный луч
Ленск
Луганск
Магадан
Магнитогорск
Макеевка
Махачкала
Мелитополь
Минск
Мирный (Якутия)
Москва
Мурманск
Нерюнгри
Нижневартовск
Нижний Новгород
Нижний Тагил
Новая каховка
Новокузнецк
Новосибирск
Новый Уренгой
Норильск
Ноябрьск
Нур-Султан
Омск
Оренбург
Ош
Павлодар
Пермь
Петрозаводск
Петропавловск
Петропавловск-Камчатский
Псков
Ростов-на-Дону
Салехард
Самара
Санкт-Петербург
Саратов
Севастополь
Семей
Симферополь
Сочи
Ставрополь
Сургут
Сыктывкар
Тараз
Ташкент
Токмак
Томск
Тында
Тюмень
Ульяновск
Усинск
Усть-Каменогорск
Уфа
Хабаровск
Ханты-Мансийск
Херсон
Челябинск
Чита
Шымкент
Экибастуз
Энергодар
Южно-Сахалинск
Якутск
Ваш город
Мелитополь
Войти
Запасные части к тракторам на одном сайте
Отправить заявку


Редуктор обогревателя на ДЭТ-250


/
с НДС 20%
Описание
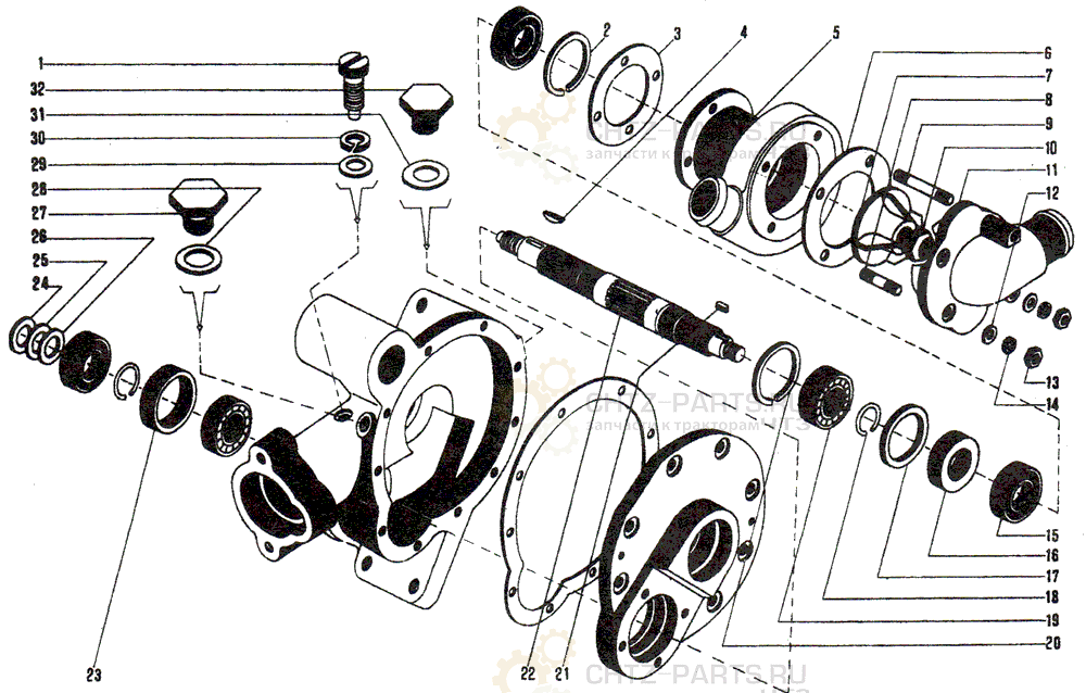
748-02-115СП Редуктор обогревателя ДЭТ-250
Поз. Обозначение Наименование Кол. Масса
1 ГОСТ 6402—70 Шайба 6Т 65Г 09 2 -
2 3327-81-1 Тарелка пружины нижняя 1 0,015
3 730-26-512 Прокладка 1 0,003
4 748-02-172 Валик 1 0,23
5 748-02-205 Стакан 1 0,25
6 730-05-133 Барашек 1 0,015
7 3327-61-2 Прокладка 1 0,0005
8 3327-59-1 A 4 Клапан нагнетательный 1 0,006
9 700-40-260-05 Прокладка 1 0,0002
10 3327-78 l Пружина 1 0,008
11 3327-121-1 Ограничитель 1 0,008
12 327-57-5 3 Плунжер 1 0,04
13 3327-77-9 Штуцер нажимной 1 0,15
14 700-40-260-04 Прокладка 1 0,0002
15 700-35-2! Винт 1 0,05
16 748-02-180СП Ручка 1 0,035
17 748-02-138 Стопор 1 0,09
18 3327-60-l 4 Седло нагнетательного клапана 1 0,025
19 327-58-l 3 Гильза плунжера 1 0,1
20 ГОСТ 1491-80 Винт BM4-8g×30 1 -
21 ГОСТ 6402—70 Шайба 4Т 65Г 06 1 -
22 730-26-261 Сальник 1 0,002
23 730-26-254 Прокладка 1 0,001
24 748-02-186СП 2 Гильза 1 0,063
25 730-26-544 Болт регулировочный 1 0,01
26 700-30-200 Гайка 1 0,004
27 3327-80-1 Тарелка пружины верхняя 1 0,005
28 748-02-167СП Толкатель 1 0,077
29 ГОСТ 792—67 Проволока КС 3 0,01 m -
30 700-38-39 Пружина 1 0,023
31 ГОСТ 7798—70 Болт М6×16.46.019 2 -
2 До трактора № 8990 заказывать комплектно с сб. 327-07-10 (состоит из 327-57-1 и 327-58-1).
3 До трактора № 8990 заказывать сб.327-07-10 комплектно с 748-02-186СП. С трактора № 8990 заказывать сб.327-07-10.
4 Заказывать сб. 3327-08-1 A.


Редуктор обогревателя ДЭТ-250

Поз. Обозначение Наименование Кол. Масса
1 ГОСТ 6402—70 Шайба 6Т 65Г 09 2 -
2 3327-81-1 Тарелка пружины нижняя 1 0,015
3 730-26-512 Прокладка 1 0,003
4 748-02-172 Валик 1 0,23
5 748-02-205 Стакан 1 0,25
6 730-05-133 Барашек 1 0,015
7 3327-61-2 Прокладка 1 0,0005
8 3327-59-1 A 4 Клапан нагнетательный 1 0,006
9 700-40-260-05 Прокладка 1 0,0002
10 3327-78 l Пружина 1 0,008
11 3327-121-1 Ограничитель 1 0,008
12 327-57-5 3 Плунжер 1 0,04
13 3327-77-9 Штуцер нажимной 1 0,15
14 700-40-260-04 Прокладка 1 0,0002
15 700-35-21 Винт 1 0,05
16 748-02-180СП Ручка 1 0,035
17 748-02-138 Стопор 1 0,09
18 3327-60-l 4 Седло нагнетательного клапана 1 0,025
19 327-58-l 3 Гильза плунжера 1 0,1
20 ГОСТ 1491-80 Винт BM4-8g×30 1 -
21 ГОСТ 6402—70 Шайба 4Т 65Г 06 1 -
22 730-26-261 Сальник 1 0,002
23 730-26-254 Прокладка 1 0,001
24 748-02-186СП 2 Гильза 1 0,063
25 730-26-544 Болт регулировочный 1 0,01
26 700-30-200 Гайка 1 0,004
27 3327-80-1 Тарелка пружины верхняя 1 0,005
28 748-02-167СП Толкатель 1 0,077
29 ГОСТ 792—67 Проволока КС 3 0,01 m
30 700-38-39 Пружина 1 0,023
31 ГОСТ 7798—70 Болт М6×16.46.019 2 -
2 До трактора № 8990 заказывать комплектно с сб. 327-07-10 (состоит из 327-57-1 и 327-58-1).
3 До трактора № 8990 заказывать сб.327-07-10 комплектно с 748-02-186СП. С трактора № 8990 заказывать сб.327-07-10.
4 Заказывать сб. 3327-08-1 A.


Редуктор обогревателя ДЭТ-250

Поз. Обозначение Наименование Кол. Масса
1 748-02-83 Заглушка 1 0,012
2 730-26-513 Кольцо стопорное 1 -
3 ГОСТ 1477—75 Винт М6×12.66.05 1 -
4 350-16Л Шпилька М6×32 9 0,005
5 730-28-139 Штифт конический разводной 1 0,005
6 сб. 411-96-1 Манжета с пружиной 1 0,019
7 748-02-189 Втулка 1 0,035
8 730-17-285 Кольцо пружинное 2 0,01
9 748-02-172 Валик 1 0,23
10 ГОСТ 8338—75 Подшипник 303 1 -
11 ГОСТ 5927—70 Гайка М6.6.05.019 11 -
12 ГОСТ 6402—70 Шайба 6Т 65Г 09 11 -
13 ГОСТ 11371—78 Шайба 6×102.05 11 -
14 748-02-118 Крышка 1 0,45
15 748 02-114 Прокладка 1 0,008
16 748-02-54 Втулка 1 0,2
17 748-02-77 Шестерня 1 1,175
18 - Штифт 4u8×16 2 -
19 700-29 23 Шпилька 2 0,0107
20 ГОСТ 8338—75 Подшипник 202 1 -
21 748-02 74 Картер 1 1,4


Редуктор обогревателя ДЭТ-250

Поз. Обозначение Наименование Кол. Масса
1 748-02-88 Фланец 1 0,02
2 748-02-138СП Кронштейн 1 1,91
3 748-02-140 Фланец 1 0,130
4 730-26-237-1 Проставка 1 0,027
5 730-26-235 Фланец 1 0,080
6 ГОСТ 17475—80 Винт B1M6-8g×18.48.05 5
7 748-02-185СП Ротор вентилятора 1 1,0
8 748-02-141 Улитка 1 0,9
9 748-02-116 Прокладка 1 0,004
10 ГОСТ 397—79 Шплинт 3,2×32-005 1
11 ГОСТ 5932—73 Гайка 2М 12.6.05 1
12 Мотор МВ-42 ТУ 2555 1
13 ГОСТ 792—67 Проволока КО 1,4 0,5 m
14 ГОСТ 7796—70 Болт 3М8×16.58.019 8
15 ГОСТ 17475-80 Винт B1M6-8g×16.48.05 1
16 ГОСТ 7795 -70 Болт 2М12×45.58.019 1
Редуктор обогревателя