Запасные части ЧТЗ Запасные части ЧТЗ
Мелитополь
Например:
Актобе
Алдан
или
Выбрать автоматически
Актобе
Алдан
Алматы
Алчевск
Архангельск
Астана
Астрахань
Атырау
Баку
Балашиха
Барнаул
Белгород
Бердянск
Бишкек
Владивосток
Владикавказ
Воркута
Воронеж
Горловка
Грозный
Донецк
Екатеринбург
Иваново
Ижевск
Иркутск
Казань
Калининград
Каменск-Уральский
Караганда
Каховка
Кемерово
Киров
Комсомольск-на-Амуре
Костанай
Краснодар
Красноярск
Красный луч
Ленск
Луганск
Магадан
Магнитогорск
Макеевка
Махачкала
Мелитополь
Минск
Мирный (Якутия)
Москва
Мурманск
Нерюнгри
Нижневартовск
Нижний Новгород
Нижний Тагил
Новая каховка
Новокузнецк
Новосибирск
Новый Уренгой
Норильск
Ноябрьск
Нур-Султан
Омск
Оренбург
Ош
Павлодар
Пермь
Петрозаводск
Петропавловск
Петропавловск-Камчатский
Псков
Ростов-на-Дону
Салехард
Самара
Санкт-Петербург
Саратов
Севастополь
Семей
Симферополь
Сочи
Ставрополь
Сургут
Сыктывкар
Тараз
Ташкент
Токмак
Томск
Тында
Тюмень
Ульяновск
Усинск
Усть-Каменогорск
Уфа
Хабаровск
Ханты-Мансийск
Херсон
Челябинск
Чита
Шымкент
Экибастуз
Энергодар
Южно-Сахалинск
Якутск
Ваш город
Мелитополь
Войти
Запасные части к тракторам на одном сайте
Отправить заявку


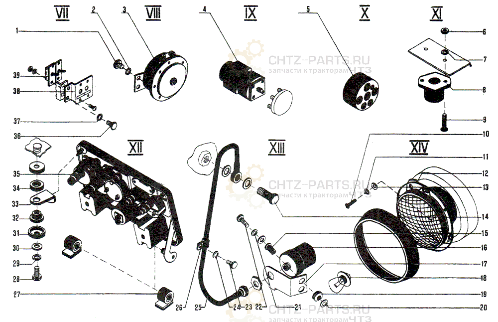
Установка низковольтного электрооборудования на ДЭТ-250


/
с НДС 20%
Описание
748-10-6СП Установка низковольтного электрооборудования ДЭТ-250
Поз. Обозначение Наименование Кол-во Масса
1 Штепсельная розетка 47К 1 0,05
2 ГОСТ 959.17—79 Батарея аккумуляторная 6СТ-132ЭМ 4 53
3 748-10-342СП Щиток 1 4
4 748-10-330СП Щиток 1 6,7


Установка низковольтного электрооборудования ДЭТ-250

Поз. Обозначение Наименование Кол-во Масса
1 Реле-регулятор РНТ-5 1 8,3
2 700-30-272 Гайка 4 0,006
3 ГОСТ 6402-70 Шайба 8Т 65Г 09 4
4 ГОСТ 7796-70 Болт М8×16.46 019 7
5 748 10-338СП Стеклоочиститель СЛ 105В 2 3,5
6 ГОСТ 6402-70 Шайба 6Т 65Г 09 3
7 ГОСТ 7798-70 Болт М6×16.46.019 3
8 748-10-318СП Фара поворотная ФГ16-К 1 0,914
9 10764 Амортизатор 1 0,035
10 748-10-114 Рычаг 1 0,16
11 748-10 308СП Стержень 1 0.26
12 700-31-290 Шайба 1 0,018
13 700-40-6999 Кольцо СП-20-11-3,5 1 0,007
14 748-10-130СП Опора 1 0,825
15 748-10-345CI1 Шайба 1 0,085
16 ГОСТ 5929-70 Гайка М12×1,25.6.019 1
17 ГОСТ 6402-70 Шайба 12 ОТ 65 Г 09 1
18 700-38-217 Пружина 1 0.135
19 748-10-365 Рычаг 1 0,5
20 ГОСТ 3129-70 Штифт конический 5×30 1
21 748-10-341 Гайка 1 0,35
22 748-10-366 Вилка 1 0,15
23 748-10 281 Рукоятка 1 0,14
24 748-10-355 Палец 4 0,03
25 748-10-391 Сухарь 1 0,03
26 700-58 2468 Кольцо стопорное 4 0,003
27 700-40-6285 Резиновый наконечник 2 0.001
28 Датчик температуры ТМ-100 2
29 ГОСТ 6402-70 Шайба 4Т 65Г 06 2
30 ГОСТ 17473-80 Винт BlM4-8g×18.55.019 2
31 Плафон ПТ-37 2 0,240
32 748-10-249 Прокладка 2 0,009
33 748-10-315 Шайба 2 0,04
34 Выключатель батарей ВБ-404 1 1,4
35 ГОСТ 6402-70 Шайба 8Т 65Г 09 3
36 748-10 282СП Амортизатор 2 0,28
37 748-10-277СП Перемычка 2 0,011


Установка низковольтного электрооборудования ДЭТ-250

Поз. Обозначение Наименование Кол-во Масса
1 ГОСТ 7796—70 Болт М8×16.46.019 4
2 ГОСТ 6402—70 Шайба 8Т 65Г 09 4
4 Датчик ДЧ магнито-индукционного электрического тахометра ГЭ-4В 1
5 748-10-312 Вставка 1 0,1
6 ГОСТ 5927—70 Гайка М4.6.019 6
7 ГОСТ 6402-70 Шайба 4Т 65Г 06 6
9 ГОСТ 1491—80 Винт B1M4-8g×12.58 6
10 ГОСТ 17473—80 Винт B1M5-8g×16.58.019 4
11 ГОСТ 6402—70 Шайба 5Т 65Г 06 4
12 ГОСТ 3544—75 Фара ФГ122-ВВ 4 1,6
13 ГОСТ 11371—78 Шайба 5.02.019 4
14 700-76-6 Штуцер 2 0,04
15 748-10-399 Пистон 4 0,003
17 748-10-390 Кронштейн 2 0,1
18 ГОСТ 2023—66 Лампа А24-554-50 4 0,03
19 748 10-389 Амортизатор 4 0,006
20 ГОСТ 6958—78 Шайба 6.02.019 8
21 ГОСТ 6402—70 Шайба 6Т 65Г 09 4
22 ГОСТ 7798—70 Болт М6×25.46.019 4
23 ГОСТ 7798—70 Болт М6×12.46.019 2
24 ГОСТ 6402—70 Шайба 6Т 65Г 09 2
25 Гибкий шланг электрического дистанционного манометра ТЭМ-15 2
26 700-54-201-12 Хомутик 2 0,016
27 748-10-333СП Петля 4 0,106
28 ГОСТ 7795—70 Болт М8×35.46.019 4
29 ГОСТ 6402—70 Шайба 8Т 65Г 09 4
30 ГОСТ 11371—78 Шайба 8.02.019 4
31 748-25-489-1 Колпачок 8 0,011
32 748-10-239 Амортизатор 4 0,008
33 748-10-334СП Кронштейн 4 0,05
34 748-10-240 Кольцо 4 0,004
35 748-10-330СП Щиток 1 6,7
36 ГОСТ 7798—70 Болт М6×16.46.019 2
37 ГОСТ 6402—70 Шайба 6Т 65Г 09 2
38 748-10-328СП Щиток 1 0,09
39 Переключатель В-45М 2 0,035
Установка низковольтного электрооборудования