Запасные части ЧТЗ Запасные части ЧТЗ
Мелитополь
Например:
Актобе
Алдан
или
Выбрать автоматически
Актобе
Алдан
Алматы
Алчевск
Архангельск
Астана
Астрахань
Атырау
Баку
Балашиха
Барнаул
Белгород
Бердянск
Бишкек
Владивосток
Владикавказ
Воркута
Воронеж
Горловка
Грозный
Донецк
Екатеринбург
Иваново
Ижевск
Иркутск
Казань
Калининград
Каменск-Уральский
Караганда
Каховка
Кемерово
Киров
Комсомольск-на-Амуре
Костанай
Краснодар
Красноярск
Красный луч
Ленск
Луганск
Магадан
Магнитогорск
Макеевка
Махачкала
Мелитополь
Минск
Мирный (Якутия)
Москва
Мурманск
Нерюнгри
Нижневартовск
Нижний Новгород
Нижний Тагил
Новая каховка
Новокузнецк
Новосибирск
Новый Уренгой
Норильск
Ноябрьск
Нур-Султан
Омск
Оренбург
Ош
Павлодар
Пермь
Петрозаводск
Петропавловск
Петропавловск-Камчатский
Псков
Ростов-на-Дону
Салехард
Самара
Санкт-Петербург
Саратов
Севастополь
Семей
Симферополь
Сочи
Ставрополь
Сургут
Сыктывкар
Тараз
Ташкент
Токмак
Томск
Тында
Тюмень
Ульяновск
Усинск
Усть-Каменогорск
Уфа
Хабаровск
Ханты-Мансийск
Херсон
Челябинск
Чита
Шымкент
Экибастуз
Энергодар
Южно-Сахалинск
Якутск
Ваш город
Мелитополь
Войти
Запасные части к тракторам на одном сайте
Отправить заявку


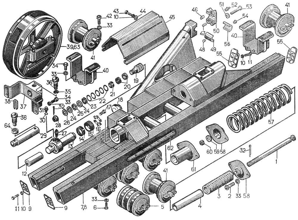
Тележка гусеницы для болотохода на Т-130


/
с НДС 20%
Описание
Тележка гусеницы для болотохода на Б-130
# Номер запчасти Наименование детали Кол-во в сборке
20-21-132СП Механизм сдавания 1
50-21-134СП Механизм натяжения 1
1 50-21-55 Стержень 2
2 Болт М20×45.88.019 4
3 700-38-2153 Пружина 2
4 20-21-26 Труба 2
5 24-21-170СП Каток двубортный 3
6 700-28-2316 Болт 28
7 20-21-128СП Рама тележки правая 1
8 20-21-127СП Рама тележки левая 1
9 50-21-86 Крышка 2
10 Шайба 12ОТ 65Г 09 8
11 Болт М12×30.58.019 4
12 24-21-92 Шток 2
13 50-21-136СП 1 Цилиндр 2
14 35-21-40 Сальник 2
15 35-21-38 Крышка 2
16 700-31-2558 Шайба 4
17 2848 Болт 12
18 35-21-34 Упор 2
19 50-21-14 Поршень 2
20 18-21-32 Кольцо 4
21 Кольцо КН 50X70-2 2
22 Кольцо М50Х70 10
23 Кольцо КО 50Х70-2 2
24 50-21-15 Проставка 4
25 700-58-2273 Кольцо 4
26 24-21-95 Прокладка 4
27 50-21-113СП Клапан двойной 2
28 700-30-2195 Гайка 2
29 20-21-135СП Проставка 1
30 Кольцо 014-018-25-2-2 2
31 700-37-2236 Пробка 2
32 35-21-37 Шплинт 2
33 Шайба 20ОТ 65Г 09 52
34 28234 Болт 12
35 Шайба 16ОТ 65Г 09 1
36 60-21-8 Стопор 2
37 50-21-63 Вилка 1
38 18-21-146 Прокладка 4
39 50-21-138СП Колесо натяжное левое 1
40 20-21-64 Кронштейн 2
41 24-21-169СП Каток однобортный 6
42 Болт М20×55.88.019 8
43 Болт М12×25.58.019 4
44 31372 Шайба 4
45 24-21-23 Щиток 1
46 700-32-2152 Штифт 1
47 32202 Штифт 1
48 21691 Штифт 1
49 21690 2 Вкладыш 1
50 24-21-118 Крышка 1
51 Шайба 34Н 65Г 09 4
52 Масленка 1.3.Ц6 1
53 700-28-2296 Болт 4
54 21692 1
55 50-21-87 Крышка 2
56 21927 2 Вкладыш 1
57 38391 Пружина 2
58 50-21-84 Фланец 4
59 24-21-163 Прокладка 2
60 700-30-2275 Гайка 2
61 24-21-150СП Фланец 1
62 20-21-68 Планка 4
63 24-21-146СП Колесо натяжное правое 1
64 Гайка М16×1.5-6Н019 1
1 Заказывать комплект 50-21-161СП.
2 Заказывать комплект 21-21-сб121 или ремонтные.
20-21-сб107 — левая,
20-21-сб108 — правая
Тележка гусеницы для болотохода