Запасные части ЧТЗ Запасные части ЧТЗ
Мелитополь
Например:
Актобе
Алдан
или
Выбрать автоматически
Актобе
Алдан
Алматы
Алчевск
Архангельск
Астана
Астрахань
Атырау
Баку
Балашиха
Барнаул
Белгород
Бердянск
Бишкек
Владивосток
Владикавказ
Воркута
Воронеж
Горловка
Грозный
Донецк
Екатеринбург
Иваново
Ижевск
Иркутск
Казань
Калининград
Каменск-Уральский
Караганда
Каховка
Кемерово
Киров
Комсомольск-на-Амуре
Костанай
Краснодар
Красноярск
Красный луч
Ленск
Луганск
Магадан
Магнитогорск
Макеевка
Махачкала
Мелитополь
Минск
Мирный (Якутия)
Москва
Мурманск
Нерюнгри
Нижневартовск
Нижний Новгород
Нижний Тагил
Новая каховка
Новокузнецк
Новосибирск
Новый Уренгой
Норильск
Ноябрьск
Нур-Султан
Омск
Оренбург
Ош
Павлодар
Пермь
Петрозаводск
Петропавловск
Петропавловск-Камчатский
Псков
Ростов-на-Дону
Салехард
Самара
Санкт-Петербург
Саратов
Севастополь
Семей
Симферополь
Сочи
Ставрополь
Сургут
Сыктывкар
Тараз
Ташкент
Токмак
Томск
Тында
Тюмень
Ульяновск
Усинск
Усть-Каменогорск
Уфа
Хабаровск
Ханты-Мансийск
Херсон
Челябинск
Чита
Шымкент
Экибастуз
Энергодар
Южно-Сахалинск
Якутск
Ваш город
Мелитополь
Войти
Запасные части к тракторам на одном сайте
Отправить заявку


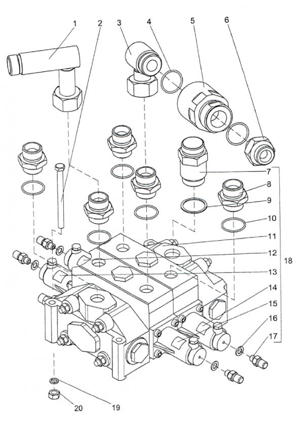
Установка гидрораспределителя ПК46


/
с НДС 20%
Описание
ПК46.43.00.010 Установка гидрораспределителя ПК46
Поз. Обозначение Наименование Кол. Масса
1 ПК46.43.00.120 Угольник 1 2
2 Болт M12-6g×130.58.019 (S18) ГОСТ 7798-70 4 0,12
3 ПК46.43.00.090 Угольник 1 1,4
4 Кольцо 045-050-30-2-2 ГОСТ 18829-73 / ГОСТ 9833-73 2 0,002
5 Дроссель 62900А ТУ22-5817-84 1 3,8
6 ПК46.43.00.008 Штуцер 0,3
7 ПК46.43.00.013 Штуцер 1 1,2
8 ПК46.43.00.014 Штуцер 5 0,2
9 ПК46.43.00.015 Шайба 1 0,005
10 Кольцо 045-049-25-2-2 ГОСТ 18829-73 / ГОСТ 9833-73 5 0,002
11 Гидрораспределитель HC-D25/2 1 58,8
12 027.66.43.101-01 Табличка 1 0,001
13 027×66.43.101 Табличка 1 0,001
14 027.66.43.101-03 Табличка 1 0,001
15 027.66.43.101-02 Табличка 1 0,001
16 ПК46.43.00.011 Шайба 4 0,004
17 ПК46 43.00.012 Штуцер 4 0,068
18 ПК46.43.00.100 Гидрораслределитель в сборе 1 60
19 Шайба 12.65Г.019 ГОСТ 6402-70 4 0,003
20 Гайка М12-6Н.5.019 (S18) ГОСТ 5915-70 4 0,018
Общий вес, кг 68
Установка гидрораспределителя