Запасные части ЧТЗ Запасные части ЧТЗ
Мелитополь
Например:
Актобе
Алдан
или
Выбрать автоматически
Актобе
Алдан
Алматы
Алчевск
Архангельск
Астана
Астрахань
Атырау
Баку
Балашиха
Барнаул
Белгород
Бердянск
Бишкек
Владивосток
Владикавказ
Воркута
Воронеж
Горловка
Грозный
Донецк
Екатеринбург
Иваново
Ижевск
Иркутск
Казань
Калининград
Каменск-Уральский
Караганда
Каховка
Кемерово
Киров
Комсомольск-на-Амуре
Костанай
Краснодар
Красноярск
Красный луч
Ленск
Луганск
Магадан
Магнитогорск
Макеевка
Махачкала
Мелитополь
Минск
Мирный (Якутия)
Москва
Мурманск
Нерюнгри
Нижневартовск
Нижний Новгород
Нижний Тагил
Новая каховка
Новокузнецк
Новосибирск
Новый Уренгой
Норильск
Ноябрьск
Нур-Султан
Омск
Оренбург
Ош
Павлодар
Пермь
Петрозаводск
Петропавловск
Петропавловск-Камчатский
Псков
Ростов-на-Дону
Салехард
Самара
Санкт-Петербург
Саратов
Севастополь
Семей
Симферополь
Сочи
Ставрополь
Сургут
Сыктывкар
Тараз
Ташкент
Токмак
Томск
Тында
Тюмень
Ульяновск
Усинск
Усть-Каменогорск
Уфа
Хабаровск
Ханты-Мансийск
Херсон
Челябинск
Чита
Шымкент
Экибастуз
Энергодар
Южно-Сахалинск
Якутск
Ваш город
Мелитополь
Войти
Запасные части к тракторам на одном сайте
Отправить заявку


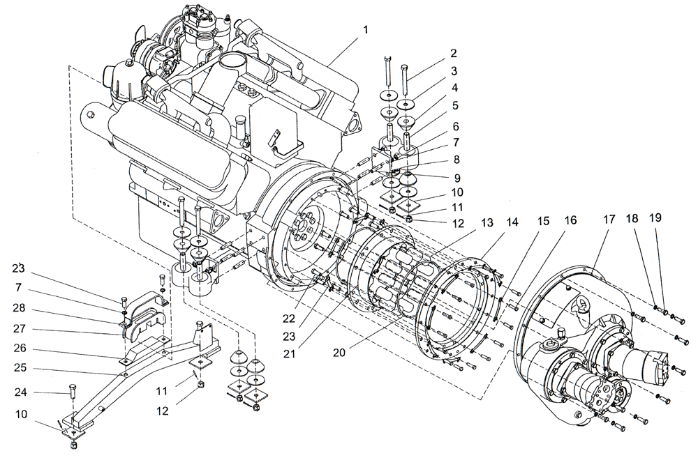
Установка силовая ПК46.11.00.000 ПК46 ЧТЗ


/
с НДС 20%
Описание
ПК46.11.00.000 Установка силовая ПК46
Поз. Обозначение Наименование Кол. Масса
1 Двигатель ЯМЗ-236М2-4
(компл. 236М2-1000175) ТУ 37.001.1474-88
1 900,0
2 027.11.17.035-02 Болт 4 0,25
3 027.14 11.035 Шайба 8 0,132
4 А120.11.00.016 Амортизатор 8 0,119
5 КБ11.11.00.005 Втулка 4 0,097
6 ПК46.11.00.002 Гайка 8 0,033
7 Шайба 14 ОТ.65Г.019 ГОСТ 6402-70 10 0,004
8 КБ11.11.00.003 Опора задняя 2 8,56
9 ПК46.11.00.001 Шпилька 8 0,072
10 КБ11.11.00.006 Подкладка 6 0,22
11 Шплинт 4*36.019 ГОСТ 397-79 6 0,004
12 Гайка М12-6Н.04.019 ГОСТ 5919-73 6 0,004
13 Д395Б-01-121 Палец резиновый 12 0,1
14 КБ11.11.00.001 Проставка 1 14,349
15 ПК46.11.00.003 Планка стопорная 8 0,01
16 ПК46.11.00.005 Болт 16 0,032
17 ПК46.11.01.000 Редуктор 1 234,4
18 Шайба 12.65Г.019 ГОСТ 6402-70 12 0,003
19 Болт M12-6gx4G.58.019(S18) ГОСТ 7798-70 12 0,053
20 КБ11.11.00.008 Кольцо пружинное 2 0,18
21 ПК46.11.00.007 Полумуфта наружная 1 16,58
22 ПК46.11.00.004 Планка стопорная 6 0,01
23 ПК46.11.00.006 Болт 14 0,065
24 027.11.17.035 Болт 2 0,123
25 ПК46.11.00.010 Опора передняя 1 19,7
ПК46.11.00.010-01 Опора передняя 1 19,7
26 Подушка 4220Я-1001020 1 0,262
27 Амортизатор 4220Я-1001029 1 0,495
28 Скоба 4220Я-1001031 1 0,093
Общий вес 1231
Установка силовая ПК46.11.00.000