Запасные части ЧТЗ Запасные части ЧТЗ
Мелитополь
Например:
Актобе
Алдан
или
Выбрать автоматически
Актобе
Алдан
Алматы
Алчевск
Архангельск
Астана
Астрахань
Атырау
Баку
Балашиха
Барнаул
Белгород
Бердянск
Бишкек
Владивосток
Владикавказ
Воркута
Воронеж
Горловка
Грозный
Донецк
Екатеринбург
Иваново
Ижевск
Иркутск
Казань
Калининград
Каменск-Уральский
Караганда
Каховка
Кемерово
Киров
Комсомольск-на-Амуре
Костанай
Краснодар
Красноярск
Красный луч
Ленск
Луганск
Магадан
Магнитогорск
Макеевка
Махачкала
Мелитополь
Минск
Мирный (Якутия)
Москва
Мурманск
Нерюнгри
Нижневартовск
Нижний Новгород
Нижний Тагил
Новая каховка
Новокузнецк
Новосибирск
Новый Уренгой
Норильск
Ноябрьск
Нур-Султан
Омск
Оренбург
Ош
Павлодар
Пермь
Петрозаводск
Петропавловск
Петропавловск-Камчатский
Псков
Ростов-на-Дону
Салехард
Самара
Санкт-Петербург
Саратов
Севастополь
Семей
Симферополь
Сочи
Ставрополь
Сургут
Сыктывкар
Тараз
Ташкент
Токмак
Томск
Тында
Тюмень
Ульяновск
Усинск
Усть-Каменогорск
Уфа
Хабаровск
Ханты-Мансийск
Херсон
Челябинск
Чита
Шымкент
Экибастуз
Энергодар
Южно-Сахалинск
Якутск
Ваш город
Мелитополь
Войти
Запасные части к тракторам на одном сайте
Отправить заявку


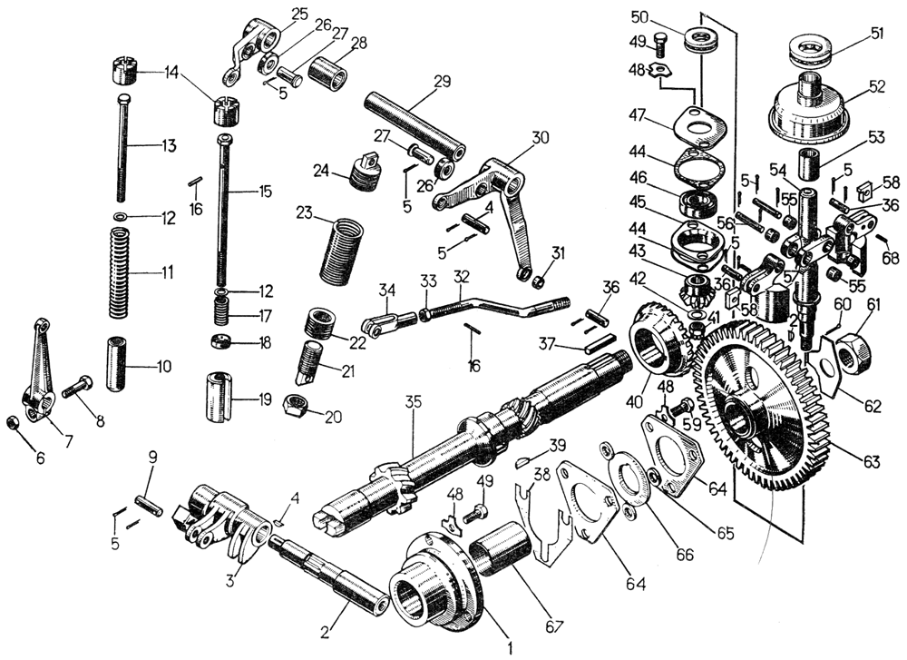
Регулятор дизеля на Т-130


/
с НДС 20%
Описание
Регулятор дизеля на Т-130
# Номер запчасти Наименование детали Кол-во в сборке
06328СП Муфта 1
06336СП Рычаг двуплечий 1
06367СП Подшипник 1
06581СП 1 Валик регулятора 1
06582СП Валик регулятора 1
06584СП 1 Груз регулятора 2
16-06-101СП 1 Валик 1
16-06-106СП Пружина 1
29-06-101СП Валик 1
29-06-102СП Валик 1
29-06-103СП Груз регулятора 2
51-06-101СП Тяга 1
1 06368 Корпус 1
2 06339 Валик 1
3 06340 Рычаг трехплечий 1
4 341 Шпонка 1
5 Шплинт2X12.019 8
6 Гайка М8.6.019 1
7 16-06-13 Рычаг 1
8 2848 Болт 1
9 06347 Палец 2
10 06353 Упор минимальной подачи 1
11 38349 Пружина 1
12 31365 Шайба 2
13 06352 Болт минимальной подачи 1
14 06348 Муфта 2
15 06375СП Болт максимальной подачи 1
16 700-32-2181 Штифт 2
17 38348 Пружина 1
18 05350 Колпачок 1
19 06351 Упор максимальной подачи 1
20 3031-2 Гайка 1
21 06346 Наконечник 1
22 06345 Наконечник 1
23 700-38-2181 Пружина 1
24 06592 Наконечник 1
25 51-06-2 Рычаг 1
26 06334 Ролик 2
27 06335 Валик 2
28 06332 Втулка 1
29 06331-1 Валик регулятора 1
30 51-06-1 Рычаг 1
31 06338 Втулка 1
32 51-06-4 Тяга 1
33 Гайка М6.6.019 1
34 51-06-5 Вилка 2
35 06361-1 Валик привода 1
36 06322 Ось 1
37 34116 Шпонка 1
38 14-06-3 Прокладка 5
39 3432 Шпонка 1
40 06370-1 Шестерня 1
41 30225 Гайка 1
42 31363 Шайба 1
43 06324 Шестерня 1
44 06327 Прокладка 7
45 06593 Корпус 1
46 Подшипник 203 1
47 06576 Фланец 1
48 31366 Шайба 3
49 БолтМ8Х20.58.019 5
50 Подшипник8104 1
51 Подшипник 8205 1
52 06329-1
06534-1
Муфта 1
53 06330 Втулка 1
54 06583 Валик регулятора 1
55 06318 Втулка 4
56 06323 Ось 2
57 29-06-2
06585 1
Груз регулятора 2
58 06321 Сухарик 2
59 Болт М8Х25.58.019 3
60 Шплинт 2X16.019 8
61 30227 Гайка 1
62 31364 Пластина 1
63 29-06-1
16-06-1 1
Шестерня 1
64 06363 Плита 2
65 06364 Втулка 3
66 06615 Шайба 1
67 67205 Втулка 1
68 32251 Штифт 2
1 Для болотоходных тракторов
Регулятор дизеля