Запасные части ЧТЗ Запасные части ЧТЗ
Мелитополь
Например:
Актобе
Алдан
или
Выбрать автоматически
Актобе
Алдан
Алматы
Алчевск
Архангельск
Астана
Астрахань
Атырау
Баку
Балашиха
Барнаул
Белгород
Бердянск
Бишкек
Владивосток
Владикавказ
Воркута
Воронеж
Горловка
Грозный
Донецк
Екатеринбург
Иваново
Ижевск
Иркутск
Казань
Калининград
Каменск-Уральский
Караганда
Каховка
Кемерово
Киров
Комсомольск-на-Амуре
Костанай
Краснодар
Красноярск
Красный луч
Ленск
Луганск
Магадан
Магнитогорск
Макеевка
Махачкала
Мелитополь
Минск
Мирный (Якутия)
Москва
Мурманск
Нерюнгри
Нижневартовск
Нижний Новгород
Нижний Тагил
Новая каховка
Новокузнецк
Новосибирск
Новый Уренгой
Норильск
Ноябрьск
Нур-Султан
Омск
Оренбург
Ош
Павлодар
Пермь
Петрозаводск
Петропавловск
Петропавловск-Камчатский
Псков
Ростов-на-Дону
Салехард
Самара
Санкт-Петербург
Саратов
Севастополь
Семей
Симферополь
Сочи
Ставрополь
Сургут
Сыктывкар
Тараз
Ташкент
Токмак
Томск
Тында
Тюмень
Ульяновск
Усинск
Усть-Каменогорск
Уфа
Хабаровск
Ханты-Мансийск
Херсон
Челябинск
Чита
Шымкент
Экибастуз
Энергодар
Южно-Сахалинск
Якутск
Ваш город
Мелитополь
Войти
Запасные части к тракторам на одном сайте
Отправить заявку


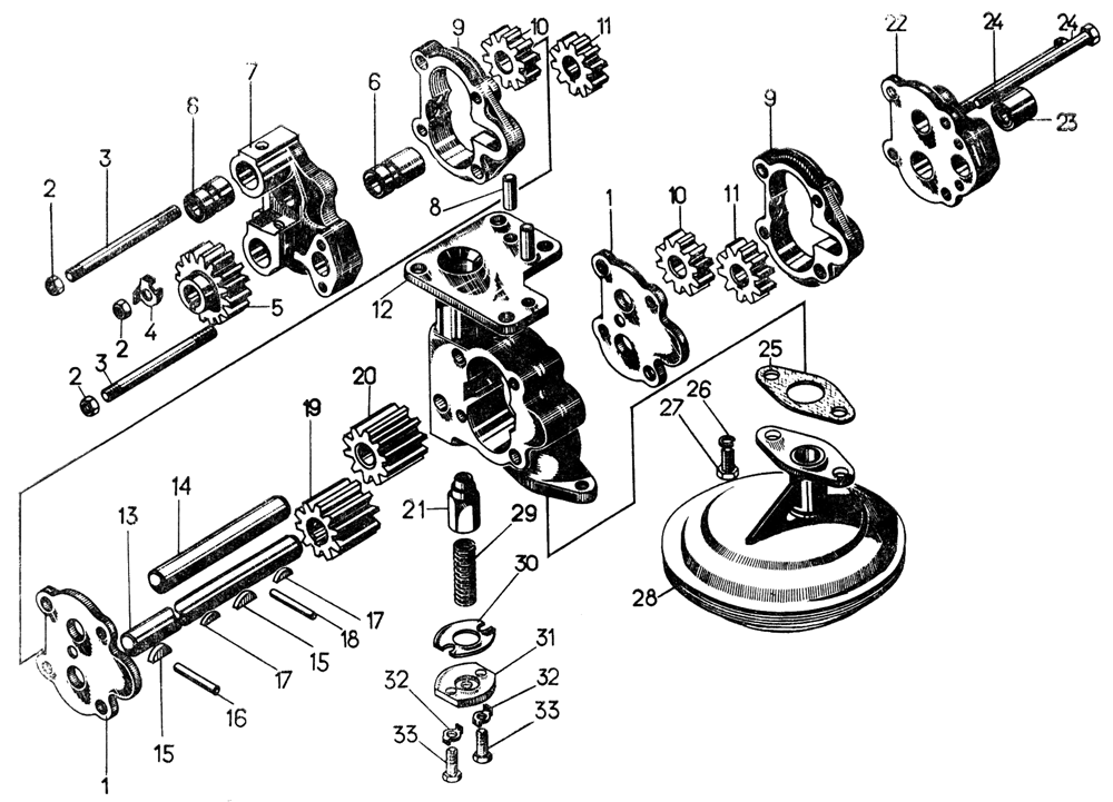
Насос масляный на Т-130


/
с НДС 20%
Описание
Насос масляный 29-09-124СП на Т-130
# Номер запчасти Наименование детали Кол-во в сборке
16-09-150СП Крышка 1
16-09-163СП Валик 1
29-09-125СП Крышка 1
1 29-09-64 Плита 2
2 700-30-2099 Гайка 4
3 700-29-2098 Шпилька 2
4 3137 Шайба 4
5 16-09-142 Шестерня 1
6 29-09-62 Втулка 2
7 16-09-98 Крышка 1
8 32211 Штифт 2
9 29-09-63 Корпус 1
10 09217 Шестерня 2
11 09216 Шестерня 2
12 29-09-60 Корпус 1
13 16-09-140 Валик 1
14 29-09-59 Ось 1
15 700-34-2031 Шпонка 1
16 32268 Штифт 1
17 700-34-2021 Шпонка 2
18 700-32-2125 Штифт 1
19 16-09-146 Шестерня 1
20 16-09-145 Шестерня 1
21 09205 Клапан 1
22 29-09-57 Крышка 1
23 29-09-58 Втулка 1
24 700-28-2087СП Болт 2
25 700-40-2886 Прокладка 1
26 Шайба 10ОТ 65Г 09 2
27 Болт M10×20.58.019 2
28 51-09-150СП Маслоприемник 1
29 700-38-2191 Пружина 1
30 16-09-147 Прокладка 4
31 29-09-117 Фланец 1
32 700-31-2087 Шайба 2
33 Болт М6×25.58.019 2

Насос масляный